Description
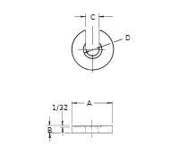
Washer that slides in and out of position for clear loading. Can be used with a nut, or by sliding it into a radial groove on a drawbar. Available in steel for stud sizes #10 to 1″ (M5 to M24 in metric), and in stainless steel for stud sizes 1/4 and 3/8″ (M6 and M10 in metric). Made in USA.


Recent Comments