Description
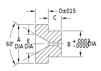
Now also available in metric sizes! Mating bushing used with a Cone Locator Pin to align two pieces of a fixture. The pin’s shank diameter and the bushing’s OD are exactly the same size, to allow boring the installation hole in both fixture pieces at the same time for greater accuracy. Available with 1/2 and 3/4″ shank diameters (12 and 20mm in metric). Made in USA.


Recent Comments