Detent Pin

Detent Pin

$32.58


Brand: Carr Lane

Detent Pin

SKU: CL-8-DEP-1.00-S-NL Category:

Description

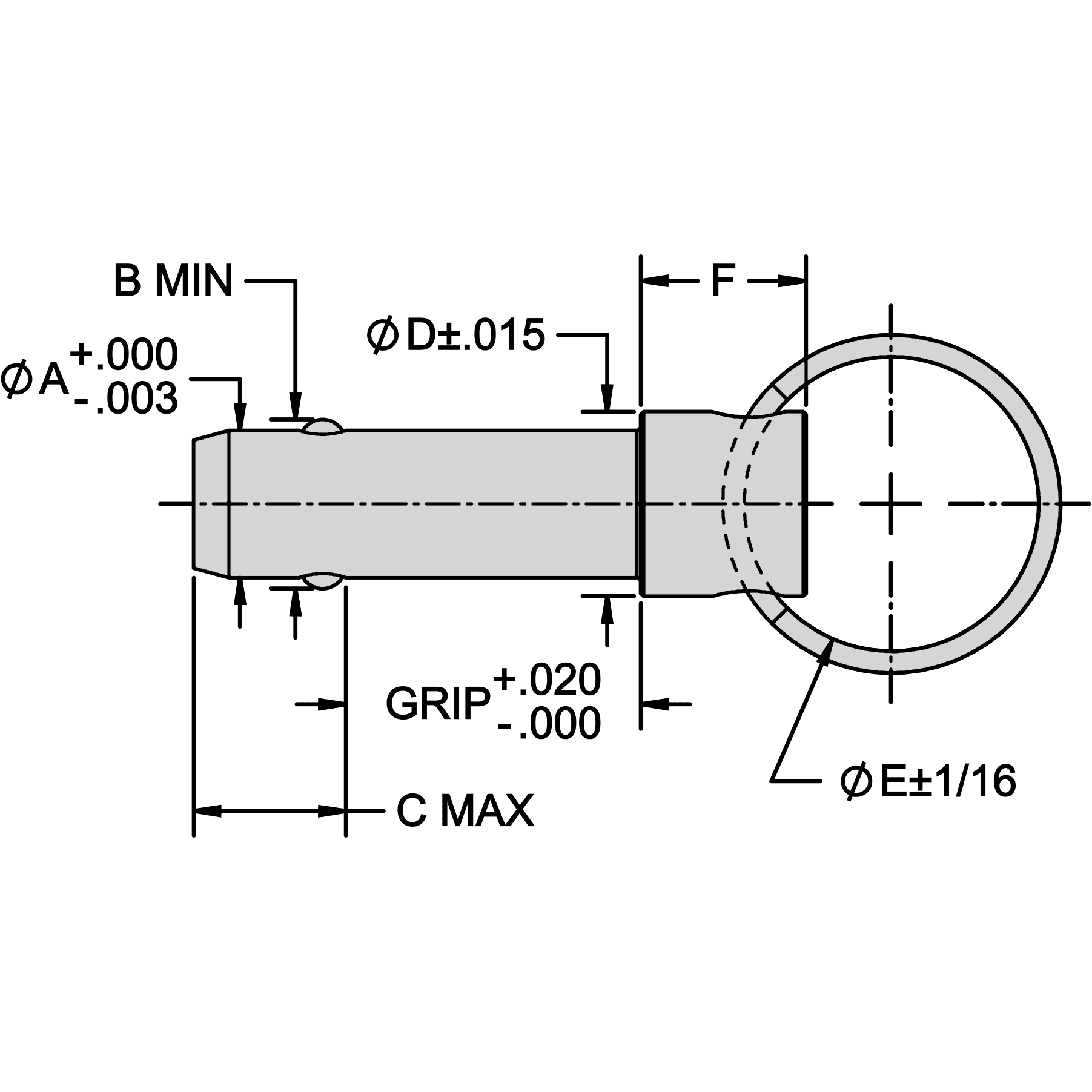
Quick-Release Alignment Pin With A Solid Shank And Spring-Loaded Locking Balls. The Integral Head Provides Exact Grip-Length Tolerance. Locking Balls Hold The Pin In Place By Spring Force (not Positive Locking Like A Ball Lock Pin). Simply Push The Pin To Insert, And Pull To Remove. Made In Usa.Available In Pin Diameters From 3/16 To 1″ (6 To 12mm In Metric), In Stainless Steel Only. Standard Grip Lengths For Each Diameter Are Listed In The Tables Below, Most In Stock For Same-Day Shipment. Detent Pins With Special Grip Lengths Up To 12” (300mm) Can Be Quickly Made To Order. The Part Configurator Link At The Top Of This Page Can Be Used For Any Detent Pin, Either Standard Or Special.

Additional information

Product Type

Detent Pin

Maximum Pin Diameter (B)

0.57 in

Shank Diameter (A)

1/2 in

Tip to Ball Length (C)

0.516 in

Head Diameter (D)

0.625 in

Ring Diameter (E)

1.0 in

Material

Stainless Steel

Head Height (F)

0.56 in

Standards Met

DFARS;RoHS Compliant