Description
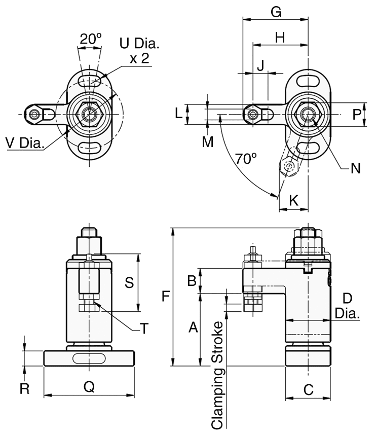
One-Touch Swing Clamps are manually operated clamps that first rotate exactly 70° clockwise into position then clamp straight down in one continuous motion. The version shown here is operated by a screw mechanism with a hex drive nut. This allows for exact clamping-force control using a torque wrench. The screw mechanism also provides a longer clamping stroke and greater clamping force than the versions with cam locking. Available in four clamp sizes, with the following maximum clamping forces that can be applied:500 Lbs800 Lbs1300 Lbs1700 Lbs





Recent Comments