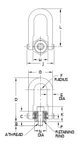
Description
Many sizes now available with electroless-nickel finish! Carr Lane standard swivel hoist rings are the original safety-engineered hoist ring. These safety swivel hoist rings pivot 180° and swivel 360° simultaneously to allow lifting from any direction. Standard swivel hoist rings feature a safety factor of 5:1. Carr Lane safety swivel hoist rings are available with inch or metric threads in load capacities up to 100,000 lbs, many with a choice of bolt length. Black oxide finish is standard for all sizes of safety swivel hoist rings, with popular sizes optionally available in electroless-nickel finish. This same design is also available in 300-series stainless steel, with a load rating equal to 50% of the alloy steel version (see Related Products below). Patent no. 3,297,293, and 4,705,422. Made in USA.





Recent Comments