Description
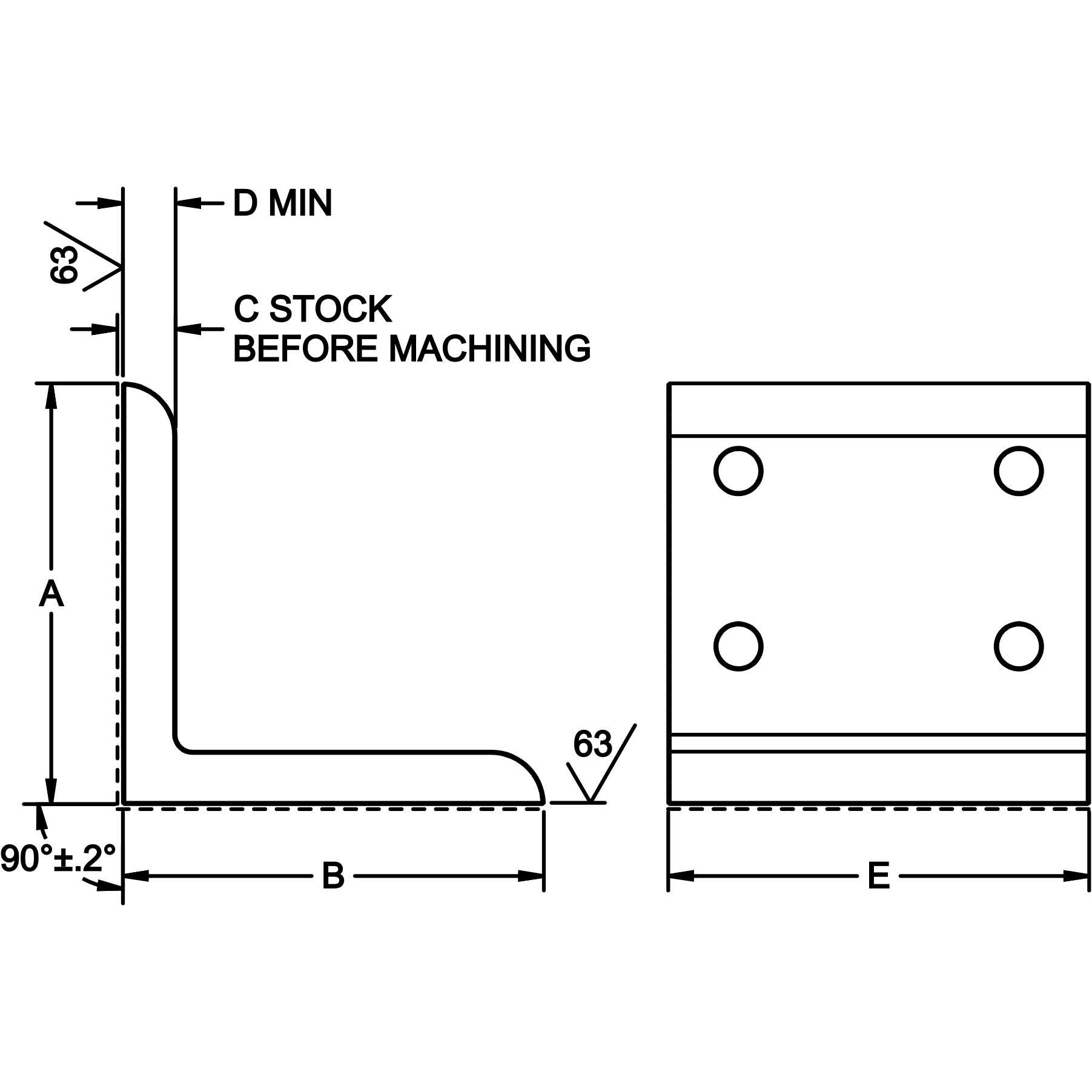
Extremely Accurate Angle Brackets With Precision Locating Holes. These Angles Are Ideal For Bolting Together Like An Erector Set To Create Large-Scale Tooling. Ideal For Assembly And Welding Fixtures.The 90° Angle And Eight Locating Holes Are Held To Close Tolerances To Maintain Good Accuracy In Built Up Tooling. Available In A Wide Range Of Section Sizes, Most In A Choice Of Lengths, From A Tiny 2″ X 2″ X 2″ Long Angle To A Massive 6″ X 6″ X 6″ Long Angle. Made In Usa.





Recent Comments