Description
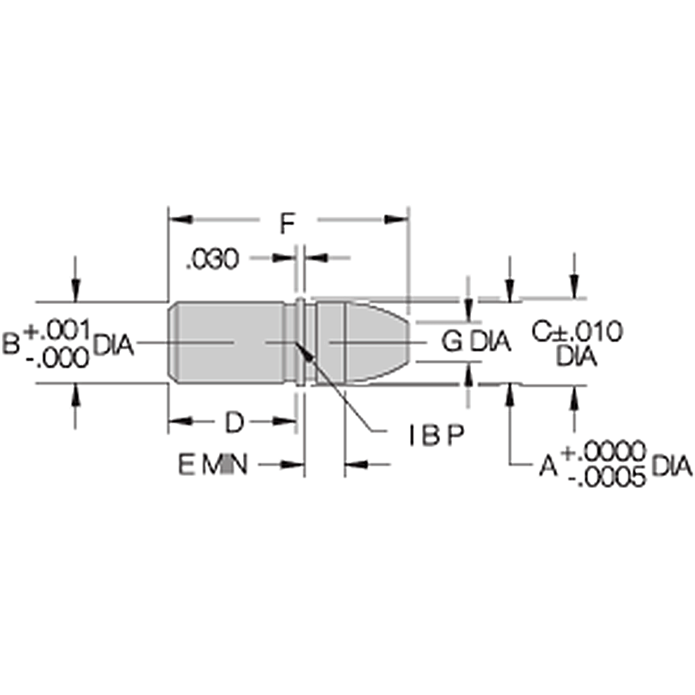
Precision locating pin often used with a mating bushing to align two pieces of a fixture. The pin’s head and shank diameters are concentric to within .0005″ TIR. Available in pin diameters 1/4, 5/16, 3/8, and 1/2″ (6, 8, 10, and 12mm in metric). Made in USA.


Recent Comments