Bullet-Nose Round Pin

Bullet-Nose Round Pin

$16.45


Brand: Carr Lane

Bullet-Nose Round Pin

SKU: CLM-12-BRP Category:

Description

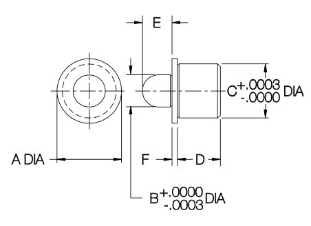
Precision bullet-nose locating pin often used with a mating bushing to align two pieces of a fixture. One Bullet-Nose Round Pin and one Bullet-Nose Diamond Pin are often used together to locate two holes without binding, because the diamond version is relieved to locate in only 1 axis. The pin’s shank diameter and the bushing’s OD are exactly the same size, to allow boring the installation hole in both fixture pieces at the same time for greater accuracy. The pin’s head and shank diameters are concentric to within .0005″ TIR. Available in pin diameters 1/4, 5/16, 3/8, 1/2, 3/4, and 1″ (6, 8, 10, and 12mm in metric). Made in USA.

Additional information

Product Type

Bullet-Nose Round Pin

Head Diameter (B)

12 mm

Shank Diameter (C)

18 mm

Material

1144 Steel

Finish

Black Oxide

Hardness

Heat Treated Rc 50-55

Tip Shape

Round

Machine Hole Diameter (A)

22 mm

Standards Met

DFARS;RoHS Compliant

Machine Hole Width (F)

2 mm

Shank Length (D)

11 mm

Tool Working Length (E)

10 mm