Description
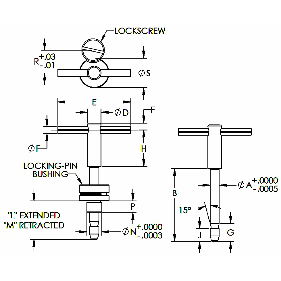
New Item!Similar To A Standard Jig Pin, Except That The Pin Body Is Positively Retained In A Locking Bushing. In Fully Retracted Position, The Bushing’s Spring Clip Snaps Into The Pin’s Groove. This Holds The Pin Fully Retracted By Spring Force And Positively Prevents Removal. Spring Pressure Also Holds The Pin In Intermediate Extended Positions, An Advantage Especially If The Fixture Is Turned Upside Down. Like Standard Jig Pins, Captive Jig Pins Have An Integral Shoulder To Keep The Handle Raised. Available In Pin Diameters From 3/16 To 1/2″. Made In Usa.The Complete Assemblies Listed Below Include A Captive Jig Pin, Locking-Pin Bushing, And Lockscrew. Choice Of Standard Or Long Bushing In Most Sizes, For Installation In Thinner Or Thicker Plates. Locking-Pin Bushings Are Designed To Press Fit In A Standard Reamed Hole, And Can Be Further Secured With The Included Lockscrew To Positively Hold The Bushing In Place.





Recent Comments