Description
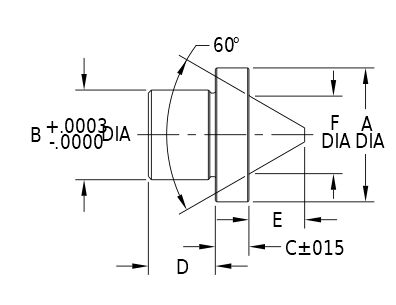
Now also available in metric sizes! Medium-accuracy tapered locating pin used with the mating bushing shown below. These pins can be used for quick assembly of two fixture pieces, because they compensate for considerable misalignment. The pin’s shank diameter and the bushing’s OD are exactly the same size, to allow boring the installation hole in both fixture pieces at the same time for greater accuracy. Available with 1/2 and 3/4″ shank diameters (12 and 20mm in metric). Made in USA.





Recent Comments