Description
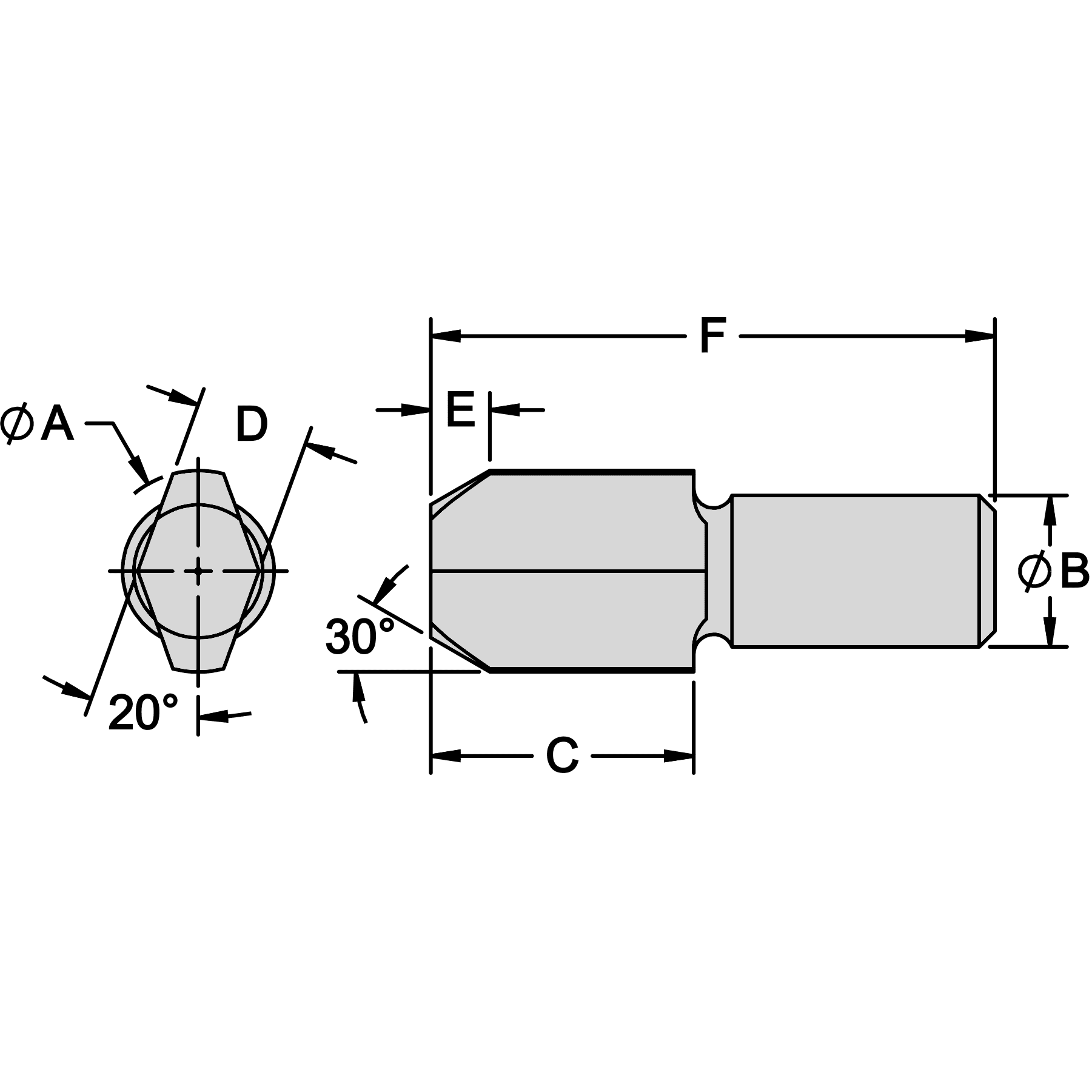
Diamond pins are precision locating pins that have a chamfered tip for easy part loading, and a shoulder to resist downward forces. These locating pins have important advantages over standard dowel pins. One Round Pin and one Diamond Pin are often used together to locate from two mounting holes in a workpiece, or to align two pieces of a fixture, without binding. These stainless-steel diamond pins are relieved, to locate only in 1 axis. Head and shank diameters are concentric to within .0005″ TIR. Carr Lane Mfg. diamond pins are available with head diameters from 1/4 to 1″ (6 to 20mm in metric). Made in USA. ### Types of Diamond Pins Diamond Pins are available in three head-diameter tolerance ranges & press fittings: X = Normal Tight Fit Y = Medium Fit Z = Loose Fit


Recent Comments