Description
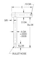
L Pins Are Removable Locating Pins, Precision Ground For Accurately Aligning Holes. L Shaped Pins Feature A Body Inset Into A Solid Handle And Silver Soldered To Create A Sturdy Assembly. L Pin Handle Ends Have A Small Hole For Attaching An Optional Cable. L Shaped Pins Are Available In Pin Diameters From 1/8 To 3/4″, Including Some Number And Letter Sizes (4 To 20mm In Metric), Most In A Choice Of Several Pin Lengths. Made In Usa.


Recent Comments