Description
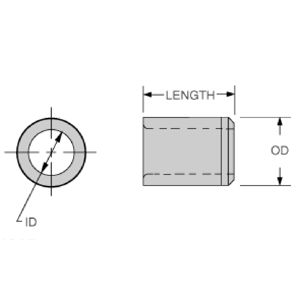
Liners are permanently installed bushings used to hold renewable drill bushings. The liner’s ID has a precise sliding fit with the renewable bushing’s OD. The liner accurately locates the renewable bushing and protects the jig plate from wear and damage caused by frequent bushing replacement. Complete part numbers for all standard Liner bushings are listed in the tables below.


Recent Comments