Quick-Ship Press-Fit Bushing (P)

Quick-Ship Press-Fit Bushing (P)

$11.74


Brand: Carr Lane

Quick-Ship Press-Fit Bushing (P)

SKU: P-20-4-.1875 Category:

Description

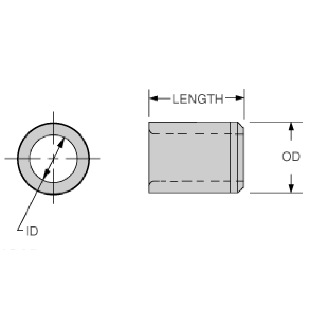
P bushings are the most-popular and least-expensive type of drill bushing. P bushings are permanently pressed into the jig plate, usually flush with the top surface. They are generally used for single-operation drilling or reaming, when you do not expect to replace bushings during the tooling’s lifetime. P bushings can be mounted closer together than headed bushings, but offer less resistance to heavy axial loads. Quick-Ship Drill Bushings are popular bushing sizes that we do our best to keep in stock and ready for same-day shipment 100% of the time. These bushings include most common ID drill sizes. Complete part numbers for all quick-ship P bushings are listed in the tables below.

Additional information

Product Type

Quick-Ship Press-Fit Bushing

Outside Diameter

5/16 in

Inside Diameter

0.1875 in

Hardness

Heat Treated to achieve Rc 62-64 ID Hardness

Material

1144 or 52100 Steel

Inside Diameter Tolerance

+0.0001/+0.0004 in

Outside Diameter Tolerance

+0.0016/+0.0013 in

Overall Length

1/4 in

Standards Met

RoHS Compliant