Press-Fit Bushing (P)

Press-Fit Bushing (P)

$44.28


Brand: Carr Lane

Press-Fit Bushing (P)

SKU: P-80-32-.8750 Category:

Description

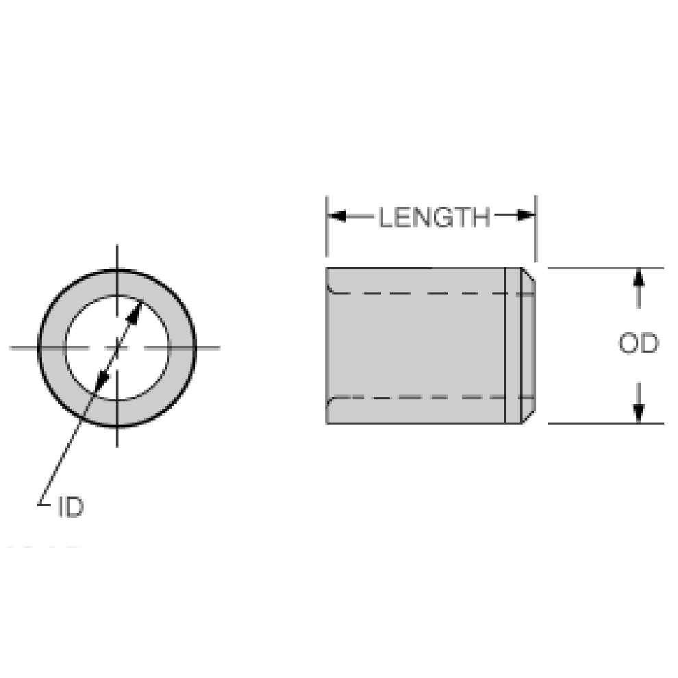
P style drill bushings are the most-popular and least-expensive type of drill bushing. Type P bushings are permanently pressed into the jig plate, usually flush with the top surface. P style drill bushings are generally used for single-operation drilling or reaming, when you do not expect to replace bushings during the tooling’s lifetime. Type P bushings can be mounted closer together than headed bushings, but offer less resistance to heavy axial loads. To order a specific standard Type P bushing, select the basic part number below and add the desired ID drill size (as a 4-place decimal inch) on the Price & Availability screen. See Technical Information tab for Standard Drill Sizes. Standard prices apply only to bushings with a standard inch, number, letter, or metric ID size within the stated range. The Part Configurator link at the top of this page can be used for any P bushing, either standard or special. Example standard bushings: P-20-16-.1250 1/8″ ID (.1250) P-20-16-.1772 4.50mm ID (.1772) P-20-16U-.1250 1/8″ ID (.1250) with unground OD (add “U” on Price & Availability screen)

Additional information

Product Type

Press-Fit Bushing

Outside Diameter

1-1/4 in

Inside Diameter

0.8750 in

Standard Drill Size

55/64 to 15/16 in

Hardness

Heat Treated to achieve Rc 62-64 ID Hardness

Material

1144 Steel

Stressproof (Yes/No)

Yes

Inside Diameter Tolerance

+0.0002/+0.0006 in

Outside Diameter Tolerance

+0.0020/+0.0017 in

Overall Length

2 in

Standards Met

DFARS;RoHS Compliant