Description
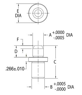
These precision locating pins are especially useful for workpiece location because of the wide selection of head diameters available to fit machined holes in the part. One Round Locating Pin and one Diamond Locating Pin are often used together to locate from two holes without binding, because the Diamond Locating Pin is relieved to locate in only 1 axis. The type shown here, with a press-fit shank, is designed for permanent installation. Head and shank diameters are concentric to within .0005″ TIR. Made in USA. Round & Diamond Locating Pins are available in four standard shank diameters, each with a range of standard head diameters in 1/32″ increments (2mm increments in metric), each available in either standard or undersize fit. In addition to standard diameters, these pins are also quickly made to order in any special head diameter from .1150″ to 1.0400″ in .0001″ increments. The Part Configurator link at the top of this page can be used for Round Locating Pins with a special head diameter.


Recent Comments