Description
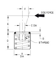
Spring Locating Pins are press-fit inserts that provide an extremely compact way to apply side force to a workpiece, for positioning or light clamping. The version shown here, has a tapped receptacle for installing custom contact pins, together with a coil spring for maximum travel. Available in two sizes, 7/16″ and 5/8″ body diameter. Choice of light, medium, or heavy force in each size.


Recent Comments