Eccentric Liner

Eccentric Liner

$11.22


Brand: Carr Lane

Eccentric Liner

SKU: CL-7-SLPR-3 Category:

Description

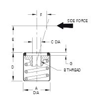
Spring Locating Pins are press-fit inserts that provide an extremely compact way to apply side force to a workpiece, for positioning or light clamping. The version shown here, has a tapped receptacle for installing custom contact pins, together with a coil spring for maximum travel. Available in two sizes, 7/16″ and 5/8″ body diameter. Choice of light, medium, or heavy force in each size.

Additional information

Product Type

Eccentric Liner

Size

#8-32

Head Diameter (A)

7/16 in

Material

Mild Steel

Finish

Black Oxide

Standards Met

DFARS;RoHS Compliant