Description
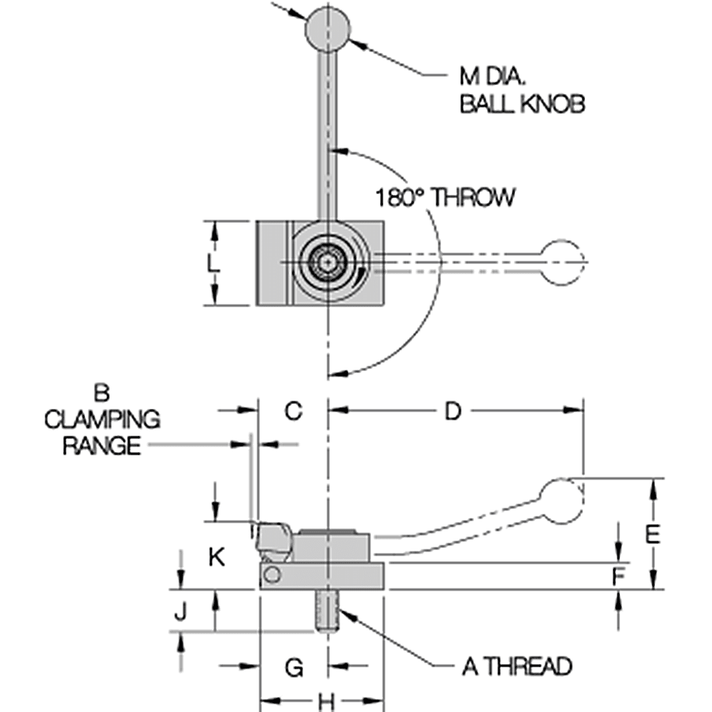
Pivoting-nose edge clamp actuated by a cam handle for fast action. The serrated nose pivots to exert clamping force forward and downward at the same time. Smooth spiral cam locks positively anywhere within its 180° throw. Choice of clockwise or counterclockwise handle movement to clamp. Available in two sizes, with 5/16-18 or 1/2-13 mounting screws (M8 or M12 in metric).The fixed-base version shown here mounts in a fixed location with the built-in screw. Well suited for permanent fixtures due to its compact size and fixed position. Also available in a slotted-base version for adjustability.





Recent Comments