Description
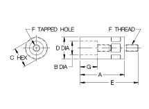
Compact mounting adaptor for long-arm Hook Clamps. Precision bored hole for smooth swing action. Available in three sizes, with mounting screws 5/16-18, 1/2-13, and 5/8-11 (M8, M12, and M16 in metric). For high-rise clamping, a Riser Cylinder can be used to extend the reach of these Hook-Clamp Holders





Recent Comments