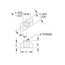
Description
Rotary T Nuts can be inserted from the top of a T slot, unlike normal T Nuts, which must be inserted from the end of the slot. This allows adding T Nuts and studs anywhere on the table without tearing down any existing setups. Made of alloy steel to provide maximum strength. Available to fit table-slot sizes from 1/2 to 1″ (14 to 20mm in metric), in thread sizes from 3/8-16 to 3/4-10 (M10 to M16 in metric).


Recent Comments