Description
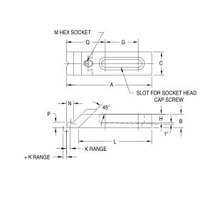
These low-profile clamps are ideal for securely gripping the side of a workpiece to keep the top clear for machining, especially when a large clamping range is required to accommodate workpiece-size variations. The serrated jaw slides at a 45° angle to exert clamping force both forward and downward simultaneously. Clamp by turning the socket-head screw in the sliding jaw with a hex wrench. Choice of low-nose clamping jaw (shown here) or high-nose clamping jaw. V-groove in nose is useful for clamping round parts or corners.The adjustable (slotted) edge clamps shown here are useful for mounting directly on a machine table. The slot is tapered to prevent the clamp from backing off under heavy forces (use two mounting screws on longer clamps). Available in five clamp sizes with mounting-screw sizes from 5/16-18 to 3/4-10 (M8 to M20 in metric), each in a choice of slot lengths. Made in USA.


Recent Comments