Tapped-Heel Padded Clamp Strap (Steel)

Tapped-Heel Padded Clamp Strap (Steel)

$34.56


Brand: Carr Lane

Tapped-Heel Padded Clamp Strap (Steel)

SKU: CL-159A-CS Category:

Description

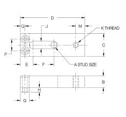
Heavy-duty steel version of our Slotted-Heel Clamp Straps, with a radius nose to provide firm workpiece contact. These clamp straps have a slot underneath to slide straight back for clear loading. An indentation at the rear of each side provides a secure finger grip for retracting the clamp. Available to fit stud sizes 1/4-20 to 3/4-10 (M6 to M20 in metric), each in a choice of strap lengths. Made in USA. This clamp strap can be ordered by itself, or in a complete clamp assembly. The available assemblies are: -1 Assembly with Spherical Nut & Washer -2 Assembly with Flange Nut-4 Assembly with Hand Knob & Spherical Washer -5 Assembly with Acorn Nut & Spherical Washer -6 Assembly with Bar Knob & Spherical Washer

Additional information

Product Type

Padded Clamp Strap

Stud Size

5/16 in – 18

Material

1018 Steel

Finish

Black Oxide

Head Length

3-1/2 in

Head Width (C)

7/8 in

Head Height (B)

1/2 in

Slot Width (F)

1-1/4 in

Slot Length (J)

11/32 in

End to Slot Length (E)

9/16 in

Nose Length (G)

3/8 in

Standards Met

DFARS;RoHS Compliant

Thread Size

5/16 in – 18

Thread Pitch

18

Dimension (H)

3/16 in

Dimension (K)

5/16 in – 18

Dimension (Max M)

1/4 in

Dimension (P)

1/2 in

Dimension (Q)

3/16 in